An industrial power plant at sunset

FCS – Custom Flow Diagrams and Graphics

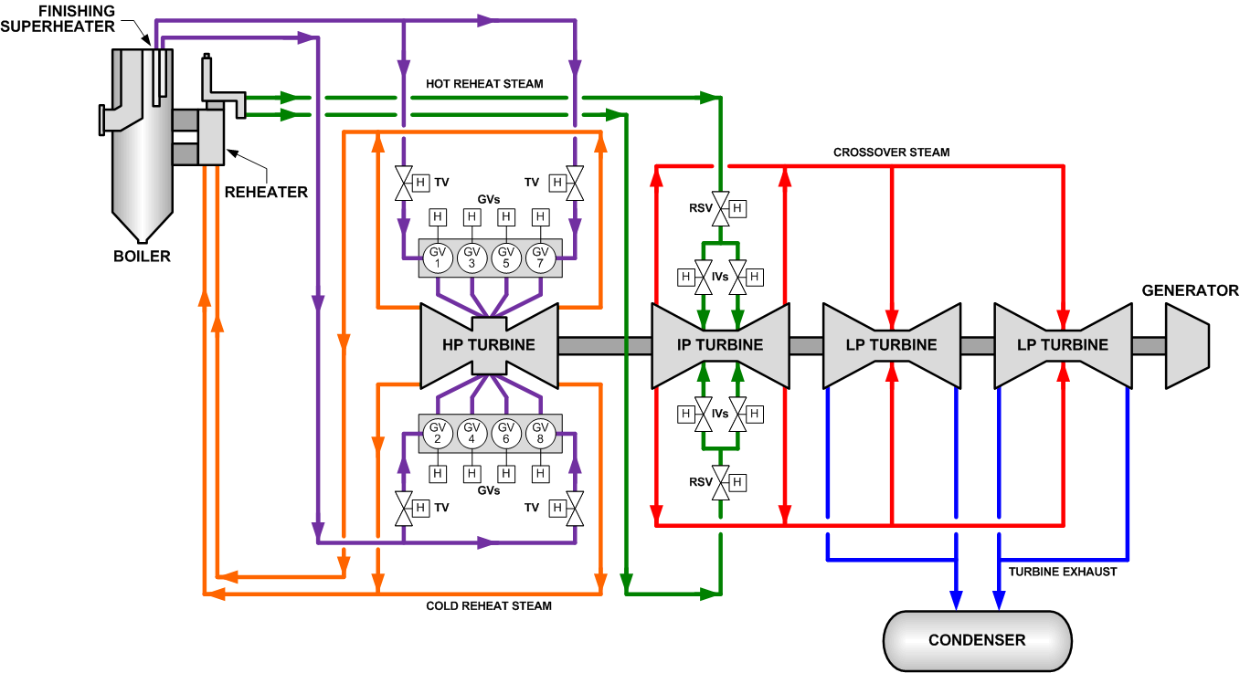
While P&IDs are useful for system design and research, we all understand they can be overwhelming when trying to learn or teach the system. Sometimes, technicians just want to see the “ins and outs”. FCS has over 30 years of producing training materials for those Operators and Technicians learning the system. 

FCS takes P&IDs and distills them to produce user-friendly “flow diagrams”. At first glance, these appear like high-definition P&IDs. These documents generally have a left-to-right flow with color-coded lines to clearly show the process as it proceeds through the system. Distractions such as pipe sizes, slope indications, and material specifications are left to the P&IDs, making our flow graphics useful for trainees both in the classroom and in the field. If desired, we can include instrument connections to your DCS/HMIs and all tag numbers. Unless your team requires another standard, we use the ANSI/ISA-5.1-2009 standard symbols in our flow diagrams.

These flow diagrams are supported by high-quality graphics in our custom training manuals. Our graphic design team uses actual photos of your site’s equipment, enhanced with “callouts.” For example, the training manual text may describe the flow through a flow control valve and discuss its manual bypass. This text is supported by a photograph of the valve and its bypass with callouts labelling each and color-coded arrows showing flow through the line.

Of course, there are portions of the plant where obtaining photos may be difficult or impossible. FCS’s graphics team works with our technical personnel to develop custom graphics to help explain difficult concepts with high-quality, graphics-intensive manuals. With over 30 years of development, we have a large library from which to draw. Of course, your plant has its own specific equipment, and our graphics team understands the need to make graphics custom to your site.

 

Contact Us

Flow diagram

Contact Us to Get Your Custom Flow Diagrams

Developing custom flow diagrams and custom graphics for your plant or facility is an important step to keeping your operation running smoothly.

Contact us today to get custom graphs and flow diagrams for your equipment, ensuring safety and efficiency in training and everyday use.